13776369668
武峰管道
![]() |
![]() |
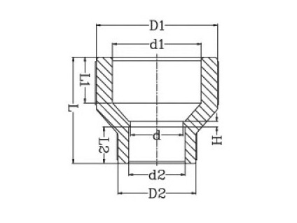
| Nominal | Socket Type | |||||
| SIZE | D | d1 | D1 | d2 | D2 | L |
| 3/4"*1/2" | 25 | 24.1 | 33.6 | 15.3 | 28.0 | 34.9 |
| 1"*3/4" | 32 | 31.0 | 42.4 | 24.1 | 33.6 | 42.4 |
| 1-1/4"*1" | 40 | 39.0 | 52.6 | 31.0 | 42.4 | 51.4 |
| 1-1/2"*1-1/4" | 50 | 49.0 | 66.0 | 39.0 | 52.6 | 59.2 |
| 2"*1-1/2" | 63 | 61.9 | 84.4 | 49.0 | 66.0 | 69.7 |
| 2-1/2"*2" | 75 | 73.6 | 95.8 | 61.9 | 84.4 | 78.4 |
| 3"*2" | 90 | 88.3 | 113.7 | 61.9 | 84.4 | 86.4 |
| 3"*2-1/2" | 90 | 88.3 | 113.7 | 73.6 | 95.8 | 89.9 |
| 4"*2-1/2" | 110 | 107.9 | 138.4 | 73.6 | 138.4 | 100.1 |
| 4"*3" | 110 | 107.9 | 138.4 | 88.3 | 138.4 | 104.1 |
相關產品