13776369668
武峰管道
![]() |
![]() |
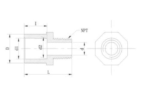
| Nominal | Outside Dia | Socket Type | Structural Diameter | ||||
| SIZE | D | d1 | d2 | I | d | L | NPT(牙/寸) |
| 1/2"(15) | 30.00 | 21.40 | 21.25 | 24.00 | 13.20 | 50.00 | 14 |
| 3/4"(20) | 35.00 | 26.75 | 26.58 | 27.00 | 19.00 | 51.00 | 14 |
| 1"(25) | 44.00 | 33.52 | 33.28 | 30.00 | 24.00 | 59.00 | 11.5 |
| 1-1/4"(32) | 54.00 | 42.28 | 42.05 | 34.00 | 32.00 | 63.50 | 11.5 |
| 1-1/2"(40) | 60.00 | 48.40 | 48.12 | 37.00 | 38.00 | 67.00 | 11.5 |
| 2"(50) | 73.00 | 60.45 | 60.18 | 40.00 | 50.00 | 73.00 | 11.5 |
相關產品